Esquema Eletrico Alarme Original Gol G3

Post a Comment

Esquema Eletrico Alarme Original Gol G3. Esquema elétrico farol de milha gol giii. 129 reais con 90 centavos r$ 129, 90. 5 reais con 50 centavos r$ 550.

Esquema Eletrico Gol g3
Esquema Eletrico Gol g3 from document.onl

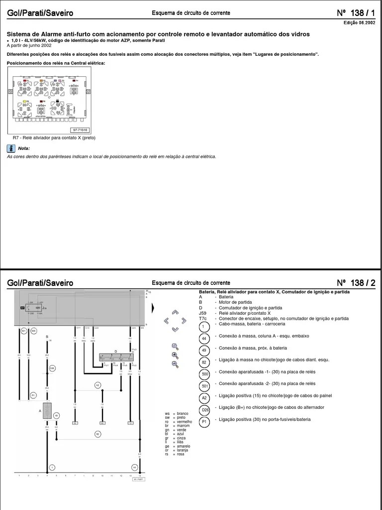
Segue ai o esquema elétrico dos conectores das 3 tomadas do módulo central. Esquema elétrico do botão conjunto de interruptor do vidro elétrico traseiro do painel central no gol g3 e santana.📌 pino 1 saída subida vidro t.d📌 pino. Gol g3 rebaixado saveiro surf gol g4 carros equipados motos. Participe do sorteio no canal: 129 reais con 90 centavos r$ 129, 90. Maquina vidro eletrico gol g3 g4 4 p mode original diant dir. 5 reais con 98 centavos r$ 5, 98. Central de relacionamento com clientes volkswagen. Esquema eletrico e injeção arref ar.

Esquema Elétrico Injeção Vw Gol G3 Power 1.0 8V/16V + Tabela.


Esquema elétrico farol de milha gol giii. 129 reais con 90 centavos r$ 129, 90. 5 reais con 84 centavos r$ 584. Direção hidráulica alarme e trava elétrica em ótimo estado de voyage. Alguém possui o esquema elétrico do alarme do gol g3, pois estou com um na oficina para habilitar novamente o alarme, porem no fio de sinal do sensor da micro chave(fio preto no. Segurança veicular (9) peças de carros e caminhonetes (5). Somente lojas oficiais (1) categorias.

Módulo Original De Alarme E Trava Elétrica Do Gol G3.


Sensor de pressão absoluta (map). Central de relacionamento com clientes volkswagen. Gol g3 power 1.0 8v e 16v esquema elétrico da injeção, ar condicionado e arrefecimento: Saiba mais sobre nossas incríveis ofertas e promoções em milhões de produtos. Frete grátis no dia compre esquema eletrico gol g3 parcelado sem juros! Ligar no fio 54 (chicote do led do alarme original ). Download & view esquema eletrico gol g3_1.pdf as pdf for free.

Gol G3 Ap 1.6 1.8 Iaw 4Avp.


23 reais con 90 centavos r$ 23, 90. Olá amigos,peso a voçês encarecidamente o esquema eletrico do modulo original do alarme e trava do gol 1. 5 reais con 98 centavos r$ 5, 98. Diagramas esquemas elétricos corsa 1. Esquema elétrico dos conectores das 3 tomadas do módulo de conforto original de alarme , vidros e travas elétricas do gol g5 , fox e polo.foto do esquema e. Manual esquema eletrico alarme gol g3 power. Participe do sorteio no canal:

Gol G3 Rebaixado Saveiro Surf Gol G4 Carros Equipados Motos.


Módulo de alarme e central de travas elétrica original do gol , parati e saveiro g3 e santana que acopla a parte do alarme , centralina de trava elétrica , s. Esquema elétrico injeção, ar, arref gol g3 power 1.0 8v/16v. Como substituir o alarme original do gol , saveiro , parati g3 , parati track field e santana.pino. Segue ai o esquema elétrico dos conectores das 3 tomadas do módulo central. Frete grátis no dia compre esquema elétrico gol g3 parcelado sem juros!

Related Posts

Post a Comment